This weighing module is economical and greatly reduces costs. Suitable for a wide range of technical and technical parameters of small and medium-sized enterprises:
|
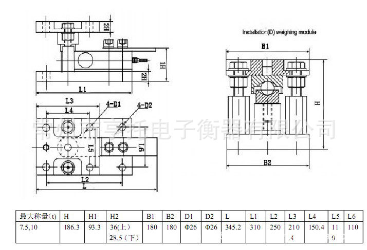
Rated load:0.25,0.3,0.5,0.75,1,1.5,2,2.5,3,5,7.5,10t |
Temperature compensation range:-10℃~+40℃ |
|
Sensitivity: 3.0±0.003mV/V(0.5~10t)2.0±0.002mV/V(0.25~0.3t) |
Working temperature compensation:-30℃~+70℃ |
|
Accuracy level:C2~C5 |
Safety overload: 150%F.S |
|
|
Ultimate overload: 180%F.S |
|
Zero balance:±1%F.S |
Recommended intense voltage:10-12V DC |
|
Zero temperature effect:±0.02%F.S/10℃ |
Anti-sealing level: IP68 |
|
Output temperature effect:±0.02%F.S/10℃ |
Material: Alloy steel |
|
input resistance:400±20Ω |
cable: 3m,5m |
|
Output impedance:352±3Ω |
|
|
Insulation resistance:≥5000MΩ |
|



- 2018-12-15 > Combined strain pressure sensor
- 2018-12-14 > Load cell application area
- 2018-12-13 > Pull pressure sensor application
- 2018-12-13 > Pull pressure sensor characteristics
- 2018-12-12 > Use the load cell measurement module to avoid incorrect loads
- 2018-12-12 > Pull pressure sensor
- 2018-12-12 > Static pressure or level sensor
- 2018-12-11 > Weight sensor installation note
- 2018-12-11 > Load cell
- 2018-12-10 > Hall current sensor




